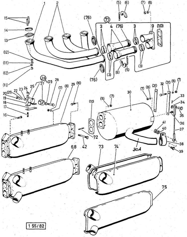
Compare {"id":8275,"name":"Diagram Number","value":"01-55-10"} {"id":8276,"name":"Short Description","value":"SOLD INDIVIDUALLY"} Heat Exchanger - Exhaust Gasket - Pinzgauer Diagram # 01-55-10