Products [3]
-
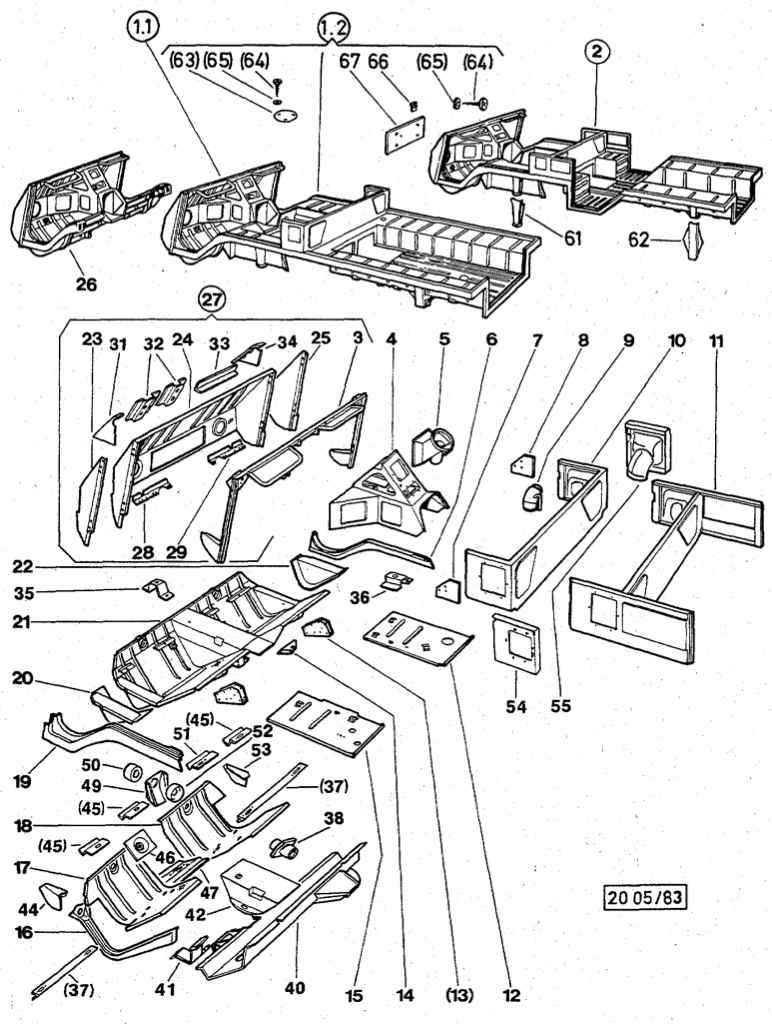
Support Bracket - 7111610222-29
Diagram # 20-05-47
VIEW DETAILSYour Price CAN$8.60 -
Plate Floorboard
Diagram # 20-05-13
VIEW DETAILSYour Price CAN$31.53 -
Side Entry LH
Diagram # 20-10-14
VIEW DETAILSYour Price CAN$326.17