Products [4]
-
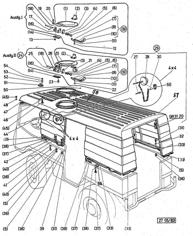
Clamping Piece K Roof Hatch
Diagram # 27-05-51
VIEW DETAILSYour Price 851.64ZAR -
Rubber Strap Roof Hatch - strap only
Diagram # 27-05-08
VIEW DETAILSYour Price 212.91ZAR -
Rubber Strap Roof Hatch
Diagram # 27-05-09
VIEW DETAILSYour Price 405.70ZAR -
VIEW DETAILS