Differential - Group 03

Products [1]

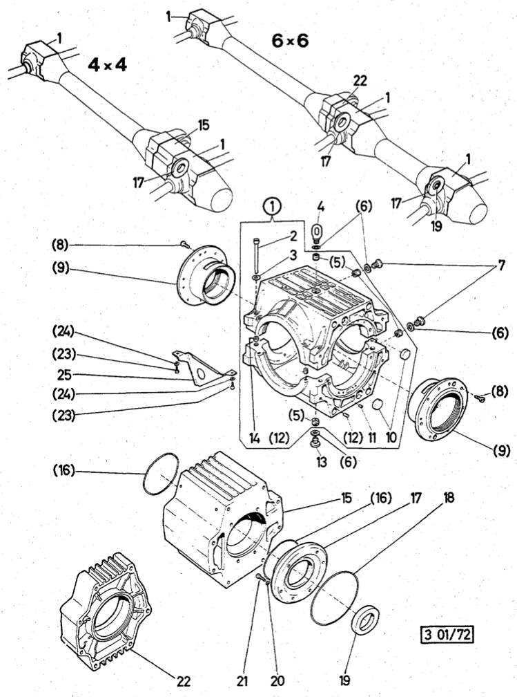
  • O - Ring Driveshaft Housing - 9013798

    {"id":8621,"name":"Diagram Number","value":"03-01-16"}

    {"id":8622,"name":"Short Description","value":"O-Ring Driveshaft Housing"}

    O-Ring Driveshaft Housing

    Diagram # 03-01-16

    Your Price 498JPY
    VIEW DETAILS